看片软件免费中心
看片软件免费应用于海洋、石油、石化、船舶、电力、热力、化工、天然气、城市工程装置、钢铁等领域。
螺纹活接
螺纹活接

Threaded Union-螺纹活接头

看片软件免费描述
活接头(union)又叫由壬或由任,是一种能方便安装拆卸的常用管道连接件,主要有锁紧螺母,云头,平接三部分组成。河北看片免费APP网站管道有限公司主要91看片网站免费锻制高中压类多种连接形式活接头,其工艺由圆钢或钢锭模锻成型后机加工的管道连接件,它的连接形式分承插焊接(承插焊活接头)、螺纹连接(螺纹活接头)、对焊连接(对焊活接头)、内外牙连接等,主要制造标准ASME B16.11、MSS SP 83。由于活接头由锁紧螺母,云头,平接组成,由球面硬密封和四氟垫(或铜垫)软密封,密封性好,有极高的防泄漏能力,同时在管道安装、使用、检修等也极其方便。

 

Threaded Union Specification:
Size/尺寸 1/8″~4″ (DN6~DN100)
Class/压力等级 2000 LBS, 3000 LBS, 6000 LBS
Type/连接形式 Threads: American National Standard Taper Pipe Threads, NPT(ANSI/ASME B1.20.1-1983), Also available in other thread forms: Rc, Rp, BSP, BSPT,BSPP and in any combination.
Surface Treatment/表面处理 Hot Dipped Galvanizing, Epoxy & FBE Coating, Electro Polish, Sand Blasting, Soldering,Darken, 热浸镀锌,环氧树脂和FBE涂层,电抛光,喷砂,发黑
Materal/材质 Stainless Steel, Alloy Steel, Duplex, Nickel Alloys, Low temperature Steel, Carbon Steel, Cupro Nickel 不锈钢,合金钢,双相钢,镍合金,低温钢,碳素钢,铜镍合金
Manufacturing process/制造工艺 Cutting, Heat treatment, Forging, Machining, 锯切、热处理、模锻、机加工
Manufacturing Standards/制造标准 MSS SP-83
Threaded Union Material Grades:
Stainless Steel/不锈钢 ASTM A182 F304, 304L, 316, 316L,310S, 316Ti,317L
Duplex & Super Duplex Steel/双相钢  ASTM A 182 – F51, F53, F55, S31803, S32205, S32550, S31254, SMO254, S32750, S32760, S32950.
Carbon Steel/碳钢 ASTM/ ASME A 105, ASTM/ ASME A 350 LF 2
Alloy Steel/合金钢  ASTM / ASME A 182, ASTM / ASME F5, F9, F11,F22, F 91
Copper Alloy Steel/铜合金 Copper Alloy Steel Forged Threaded 90 Deg Elbow : ASTM / ASME SB 111 UNS NO. C 10100 , C 10200 , C 10300 , C 10800 , C 12000, C 12200, C 70600 C 71500, ASTM / ASME SB 466 UNS NO. C 70600 ( CU -NI- 90/10) , C 71500 ( CU -NI- 70/30)
Nickel Alloy/镍合金  ASTM / ASME SB 336, ASTM / ASME SB 564 / 160 / 163 / 472, UNS 2200 (NICKEL 200) , UNS 2201 (NICKEL 201 ) , UNS 4400 (MONEL 400 ) , UNS 8020 ( ALLOY 20 / 20 CB 3 ) , UNS 8825 INCONEL (825) , UNS 6600 (INCONEL 600 ) , UNS 6601 (INCONEL 601) , UNS 6625 (INCONEL 625) , UNS 10276 (HASTELLOY C 276)
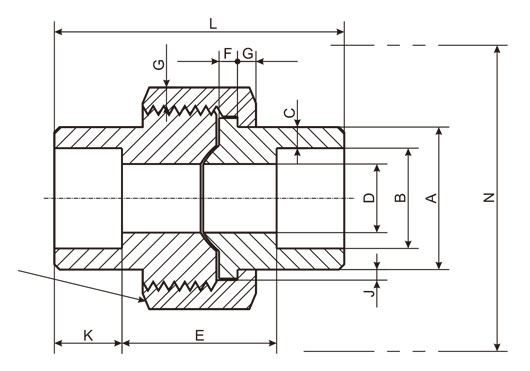
Threaded Union Dimesions:
Threaded Pressure Class  Pipe Schedule
Class 2000 S80/XH
Class 3000 S160
Class 6000 XXH
Nom. Pipe End Wall Water Male Nut Threads Bearing Length Clear
Pipe Way Bore Flange Per Assem. Assem.
Size     25.4mm Nom. Nut
  Min.A Min.C D Min.F Min.G Max.H Min.J L N
1/8" 14.7 2.41 8.43 3.18 3.18 16 1.24 41.4 50.8
6.43
1/4" 19 3.02 11.13 3.18 3.18 16 1.24 41.4 50.8
9.45
3/8" 22.9 3.2 14.27 3.43 3.43 14 1.37 46 55.9
13.51
1/2" 27.7 3.73 17.86 3.68 3.68 14 1.5 49 58.4
17.07
3/4" 33.5 3.91 23.01 4.06 4.06 11 1.68 56.9 66
21.39
1" 41.4 4.55 28.98 4.57 4.45 11 1.85 62 78.7
27.74
1-1/4" 50.5 4.85 37.69 5.33 5.21 11 2.13 71.1 94
35.36
1-1/2" 57.2 5.08 43.54 5.84 5.59 10 2.31 76.5 111.8
41.2
2" 70.1 5.54 55.58 6.6 6.35 10 2.69 86.1 132.1
52.12
2-1/2" 85.3 7.01 66.27 7.49 7.11 8 3.07 102.4 149.9
64.31
3" 102.4 7.62 88.25 8.26 8 8 3.53 109 175.3
77.27

 

(1)Dimensions in Millimeters.
(2)Upper and lower values for each size are the respective maximum and minimum dimensions.
  • 联系电话- 0317-6689999  6165555 
  • 业务邮箱- 9905791@qq.com
  • 公司地址- 河北省沧州市盐山县城南工业开发区(中原管道南厂)
  • 联系手机-15530461111(微信同步)-孟经理
看片免费APP网站管道

HEBEI ZHONGRAN PIPELINE CO., LTD.

河北看片免费APP网站管道有限公司

  • 联系电话- 0317-6689999  6165555 
  • 业务邮箱- 9905791@qq.com
  • 公司地址- 河北省沧州市盐山县城南工业开发区(中原管道南厂)
  • 联系手机-15530461111(微信同步)-孟经理

版权所有:河北看片免费APP网站管道有限公司    冀ICP备83880398号-6

网站建设:中企动力  石家庄

网站地图